產品分類
Guang hui stoves center均化布料車(拋料機)
YZXLC型卸料車
四連桿自動調偏裝置
全自動液壓拉緊裝置
PYTQ型全自動液壓皮帶調正...
SZYL型膠帶自控液壓拉緊裝...
YYTP型全自動液壓調整裝置
電動電液推桿
電動推桿
電液動回轉器(電液頭)
電液動單(雙)側犁式卸料器
SLD(D、S)型緩沖鎖氣漏...
電液動三、四通分料器
DSZ型電液動平板閘門
DSZ型電液動扇形閘門
DEZ型電液動腭式閘門
ZWJ型往復式給料機
裝車閘門(電動簸箕式)
搖臺
阻車器
推車機
滾輪(罐耳)導向裝置
YCZ-56型電液動料流插板...
SZYL型膠帶自控液壓拉緊裝...
YYTP型全自動液壓調整裝置
LST型露天膠帶機脫排水裝置
SZJ型碎渣機
DDHJ-1F型電液動矩形單...
DXV-F(Y)型星形卸灰閥...
電動錐形雙層卸灰閥
電液動錐形層卸灰閥
電液動插板式雙層卸灰閥門
LB(Ⅰ、Ⅱ)-型單、雙層棒...
電動鎖風翻板閥
重錘式鎖風翻板閥
電動百葉閥(圓式、窗式)
電液動漿液閥
DDHJ-1F型電液動矩形單...
電液動蝶閥
電液動球閥
鑄鐵棒
輸送機觀察罩
PFCK破碎機系列組合件
輸送機觀察罩
加寬防雨罩
防雨罩
江蘇精智能液壓機械有限公司
全國咨詢熱線:
傳真:0514-84719609
郵箱:
地址:揚州市高郵湯莊工業區
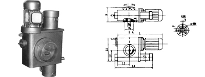
電液動回轉器(電液頭)

產品詳情
概述
1.實現機、電、液、儀一體化,可遠距離控制、中央調度室監控和微機控制。
2.電動執行機構(電動頭)由蝸桿傳動,彈簧力矩控制,機械磨損大、力矩經常失靈、不易調整、過載燒電機、操作不方便,而電液轉角器(電液頭)液壓傳動、過載溢流保護、無級調整、運行平穩、力矩較大、任意鎖定,配置不同的儀器、儀表可實現管道內恒壓或恒流控制。
3.采用全封閉結構,不漏油、不吸塵、不吸水、內部不銹蝕、使用壽命長,適應各種非高溫(120度以下)的惡劣環境使用。
4.特別是風門選用ZDY-C型可任意調節不同角度,調節風量大小比雙行程氣動執行機構、電動執行機構操作簡便、可靠。
5.在電控部分,電動頭是由多組接線端子、二級管、繼電器等復雜元件組成,質量不穩定,在金屬、煤炭等大氣污染的環境中使用容易使之失靈,而回轉器結合液壓特點采用進口全封閉集成電路板,體積小、重量輕、啟閉速度快。
6.液壓缸兩端設有機械調整機構,便于現場安裝要求.
7.設有電動、手動裝置,且無需切換任意操作,方便安裝和停電時工作。
工作原理
ZDY(B)電液頭是一種機、電、液、儀一體化的新型電液動力裝置,它以液壓缸為主體,由電動機、油泵、油箱、濾油器、液壓集成閥、轉臂連桿組合的總成。
通過電機運轉帶動油泵,經液壓集成閥即可使液壓缸輸出力和位移運動,帶動轉臂連桿產生0-90度、0-120度間任意鎖定。
型號說明

主要技術參數

注:用戶如需表中未列出的特殊要求,可按用戶要求設計制造。


附:電液動回轉器典型應用圖例


訂貨須知
1、用戶在訂貨時,須注明產品種類、型式、力(或力矩)、速度、行程和使用位置等基本參數,缺一不可。
如有特殊需求亦請說明。
2、電氣控制部分均由用戶自行解決、樣本中所列電氣控制電路,僅供參考。
3、安裝、使用、維修等事項,請參見產品使用說明書(隨貨同行)。
4、產品發出6個月后,確因本制造問題,本廠實行三包,并供應配件。